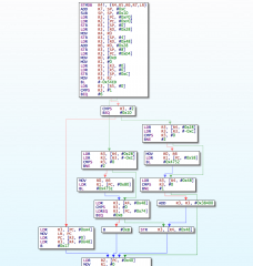
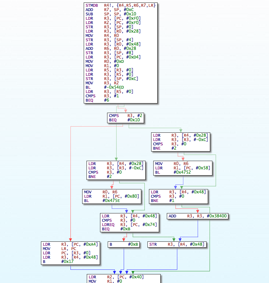
GeoHot just granted the world an insight into his current work project. It is called EDA and it almost looks like IDA (that btw also includes an iPhone debugger), but EDA seems to go a little further in case of simulator/dissassembler terms.
Geohot says the EDA simulator to:
- include version control
- allow graphical comparision between different versions of code
- handle memory location as files
- handle instructions as changelists
This concept he explains should make tracing of memory mapped IO processes “super easy”. But as GeoHot says: “Sadly, it’s still a work in progress. Maybe when its done, I’ll look for the 3G unlock.” Means: this tool is not available to the public, sadly.
Picture is courtesy of GeoHot.
